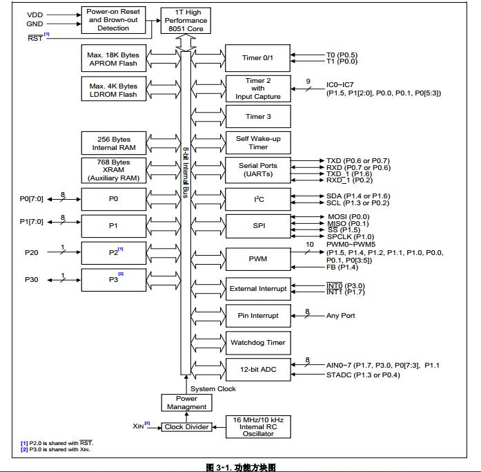
NuMicro® N76E003 系列为内建 Flash 的增强型 1T 8051 内核微控制器,工作频率最高至 24 MHz, 提供18 KB Flash 与 256Byte +768 Byte RAM 并内置 10 kHz 与 16 MHZ 高精度时钟源,宽工作电压为 2.4 V ~ 5.5 V,并符合 - 40 ℃ 至 105 ℃ 的工业级操作温度。
NuMicro® N76E003系列具备 12-bit 高精度 ADC 具备多达 8 个外部通道可精确采样多笔数据,且内建 Bandgap 可反推精准电源电压 ; 2 组高达 115200bps 高速串口可用以连接多种模块、1 组 I²C、1 组 SPI ; 最多可支持 6 通道 PWM 输出且支持独立设定的独立时钟源的功能,GPIO 具有 15 mA 高电流驱动能力,更有 7 kV ESD 与 4.4 kV EFT 高抗干扰能力。
此系列提供从TSSOP20和QFN20的封装为不同应用所需。

